Jump to content
Goran

Recommended Posts

Potreban mi je savet. Na prednjem trapu sam pre dva dana promenio obe viljuske, oba stabilizatora, obe spone i obe solje amortizera dakle sve osim amortizera koji su bili dobri (prema recima mehanicara - Monroe proizvodjac, zamenjeni fabricki pre vise godina, Punto je kupljen nov 2010.godine samo sam ga ja vozio). E sad i pre ovih zamena komponenti i nakon njih pri nailasku na prepreku kao sto je ivicnjak ili lezeci policajac cuje se pri prvom udaru a nekad i nakon silaska sa lezeceg kratak zvuk metal o metal "cak", nekad sa leve nekad sa desne strane napred a nekad sa obe strane u isto vreme. Vec na sledecem lezecem predje mekano bez tog zvuka dakle nema pravila. Izuzetno me frustrira to obzirom da je sve promenjeno. Cak su zamenjena pre pola godine dva nosaca motora (reket tj. onaj donji i levi ispod akumulatora dok desni nije menjan jer je ocenjen kao dobar i kao neki koji retko propada). Ako neko ima iskustva sta bi moglo biti ili sta da pregledam molim za pomoc. Majstor kaze kad budem centrirao trap da zamolim da oni pogledaju i poslusaju u voznji jer on nema ideju sta bi moglo biti. To jos nisam uradio pa rekoh da pitam i ovde prethodno.

Share this post


Link to post
Share on other sites
Posted (edited)

Jesi li proverio nosače motora? Bez obzira što su skoro menjani...

Edited by danko

Share this post


Link to post
Share on other sites

Pa prosto ne mogu da verujem da je reket vec propao, provericu, nakon njihove zamene (oba nosaca) auto je utegnut - bilo je dosta lupanja pre toga e sad ne znam, provericu opet. Gumice balans stangle su menjane, na puntu su to stabilizatori na kraju balans stangle a one krupnije na balans stangli nisu menjane majstor kaze da su ok. Bem li ga... sutra centriranje trapa pa cemo videti ima li poboljsanja...

Share this post


Link to post
Share on other sites
Posted (edited)

Ne misli se na stabilzatore koji spajaju amortizer i balans stanglu vec na same gumice balans stangle. Svakako nisu skupe i lako se menjaju.

image.thumb.png.d455da72ea08bb09fb0f19f6c608277c.png

Edited by werp690

Share this post


Link to post
Share on other sites

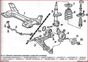
Kod punta 2 ulogu stabilizatora igra upravo ta balans stangla.

Evo sve sta je zamenjeno:

werp690 ovo sa tvoje slike je deo balans stangle

image_2025-08-11_233351211.png

viber_slika_2025-07-31_18-55-39-209.jpg

stabilizator o kojem pricas postoji kod Pande na Puntu ne postoji vec samo balans stangla

image_2025-08-11_233821376.png

Share this post


Link to post
Share on other sites
Posted (edited)

Pozdrav ljudi...

Posedujem Punto 2006god...1.3 mjet...

Na prelasku lezeceg tupkanje,otisao kod druga mehanicara,dizalica....taj levi prednji amortizer procureo,zreo za zamenu...

Ja za koji dan idem sa klincem do mojih (250km),on mi je rekao vozi slobodno,pa po povratku u BGD da skupim finansije da to zameni u paru.

Verovati mu?Moze li se to voziti bez nekog haosa?Niti sad imam vremena,niti imam finansija...

U voznji ne ljulja,lepo koci...jedino na po nekoj neravnini cuje se tup...

Nisam svakako neko ko divlja u voznji...

 

P.S.Koje amortizere kupiti?najbolji odnos cena-kvalitet?

Edited by Jole86_86

Share this post


Link to post
Share on other sites

Join the conversation

You can post now and register later. If you have an account, sign in now to post with your account.

Guest
Reply to this topic...

×   Pasted as rich text.   Paste as plain text instead

  Only 75 emoji are allowed.

×   Your link has been automatically embedded.   Display as a link instead

×   Your previous content has been restored.   Clear editor

×   You cannot paste images directly. Upload or insert images from URL.


 

 



Info

FLCS Forum koristi tzv. kolačiće (cookies), kako bi korisnicima osigurao funkcionalnost i jednostavnost korišćenja. Daljim pregledom ovog Foruma dajete svoj pristanak za korišćenje "kolačića".

×
×
  • Create New...