Jump to content
Goran
Ivan

Fiat Stilo - popravka/zamena automata nožne kočnice

Recommended Posts

Primetio sam da mi po stiskanju nozne kocnice bocna stop svetla sijaju normalno, dok trece stop svetlo radi ali u nekom polozaju pedale sija malo slabijim intenzitetom. Do bocnih (glavnih) stopova signal ide sa automata kocnice na Body Comp, pa tek onda na stopke. Dok za trece stop svetlo, signal ide direktno sa automata na stopku.

Posto je u 90% hoda pedale kocnice trece stop svetlo bilo OK, a u nekom srednjem delu hoda pedale malo slabije (a linija sa automata do trece stopke je direktna) pretpostavio sam da je problemcic u automatu nozne kocnice.

Posto je automat lociran na samoj pedali kocnice, na nezgodnom je mestu, izlozen uticaju vlage i prasine. Kod mene je jos uvek originalni fabricki "TRW" automat, tako da sam resio da ga skinem i ocistim. Iako je banalna stvar u pitanju i caskali smo o tome po forumu, iznenadio sam se da jos uvek ne postoji DIY za njegovu zamenu/popravku. Tako da evo par slicica i sema, sigurno ce biti od koristi.

 

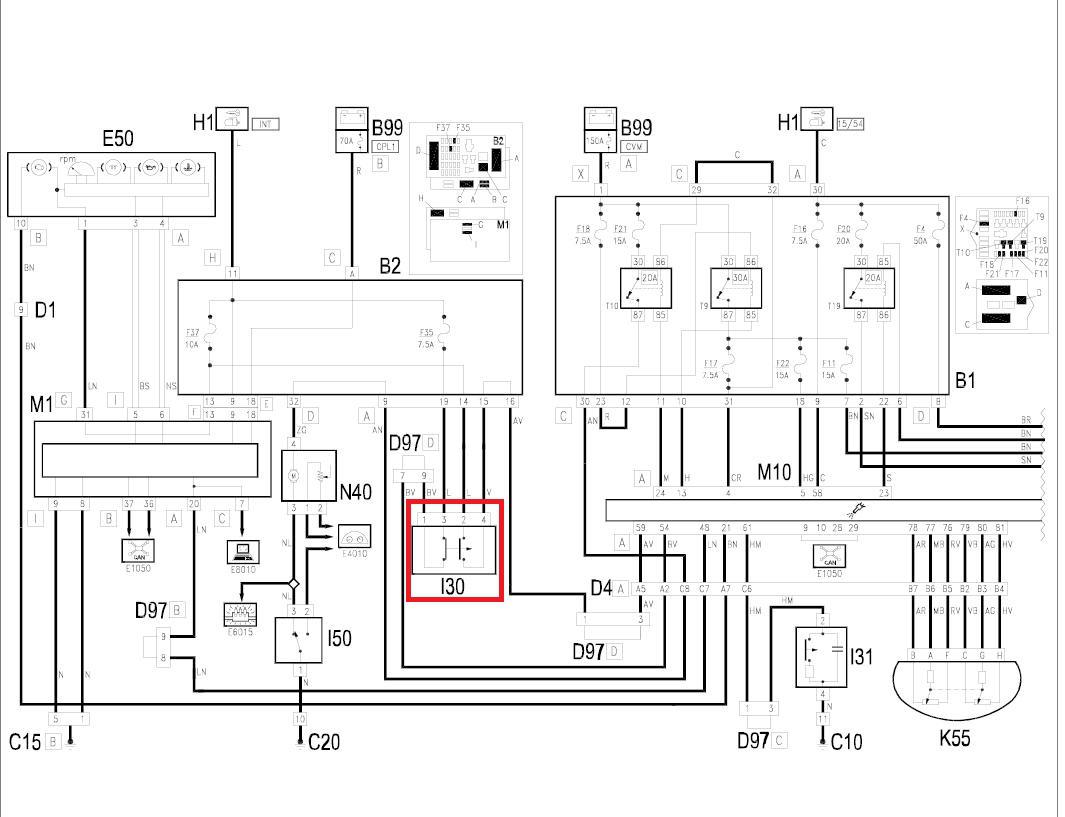
Sam automat ima dva para pinova (dva signala), po davanju kontakta (kada je automat skinut) napon je na pinovima 3 i 4. Jedan par pinova detektuje polozaj pedale razlicit od "nultog", a drugi par detektuje "nulti" polozaj pedale. Na sledecoj slici je sema vezivanja - automat I30 salje signal za ABS modul i ECU. Takodje, signal za bocna (glavna) stop svetla prvo ide u Body Comp (M1), pa tek onda u stopke oznacene sa F30 (leva) i F31 (desna stopka). Signal za trece stop svetlo F40 ide direktno sa automata I30 na stopku, kao sto sam iznad napisao. Evo i seme vezivanja stop svetala kao i lokacije svih komponenti na vozilu:

 

brake1.thumb.jpg.b90e52b93f04af47d0b7cee923e118be.jpg brake2.thumb.jpg.18d0195b25d85e72ac131223656b29bb.jpg

 

To je teorija, idemo na konkretne radove. Da bi se doslo do senzora, mora dobro da se "zaroni" do same osovine pedale nozne kocnice. Na pedali se nalazi metalna stopica iznad koje se nalazi (na koju naleze) osovina automata. Kada je kocnica pustena, osovina je sabijena. Po stiskanju kocnice, metalna plocica oslobadja osovinu i automat u tom trenutku generise odgovarajuce signale za uredjaje i stop svetla. Evo kako to izgleda na samoj pedali:

 

050720152852.thumb.jpg.e59c277ec7de625afc6380ba63a47547.jpg

 

Da bi skinuli automat, potrebno ga je zakrenuti za 90 stepeni u smeru suprotnom kazaljci na satu, kao sto je oznaceno na prethodnoj slici. U tom polozaju, osigurac prolazi kroz supljinu nosaca i povlacenjem uvis, automat se oslobadja:

050720152859.thumb.jpg.5c61710cda52f19edaf64d4640764ddb.jpg

 

Ostaje nam jos da oslobodimo jezicak konektora i automat ide napolje. Kod mene je vadjenje konektora vrlo tesko islo jer je sve jos uvek fabricki i nije pipano do sada. Izvadjeni automat izgleda ovako, kod mene je u pitanju fabricki "TRW":

050720152860.thumb.jpg.d615976f966ac92b3548fc79b6d702cf.jpg 050720152861.thumb.jpg.63e69bfee8354f8509b9faa1eb1a9863.jpg 050720152862.thumb.jpg.0db340e26accdd95abedd1fb592caaba.jpg 050720152863.thumb.jpg.46464bf04c5209070eeaa9e10c67854c.jpg

 

Na poslednjoj slici sam oznacio par pinova na koje u konektoru inicijalno dolazi napon sa kontakta.

Nisam hteo da menjam automat sa nekim bofluk zamenskim, tako da sam ga dobro ocistio kontakt sprejom, razradio osovinu i ocistio pinove dzeka. Rezultat je da sada treca stopka radi kao sat, sa punim intenzitetom celim hodom pedale kocnice:

 

050720152883.thumb.jpg.a81407db90a70cfac4643e39d96b1878.jpg

 

Takodje, ono sto mi se svidja, stopke sada reaguju i na najmanji dodir kocnice. Cena operacije - 0 dinara i 20 minuta dobre volje.

 

 

Edited by Ivan
Prebacene slike sa Postimage na FLCS server

Share this post


Link to post
Share on other sites
On 9/27/2015 at 4:43 PM, milorad.maric said:

ivane svaka cast na trudu i objasnjenju,ja sam to uradio,i nije do automata,i moj je isti kao taj na slikama TRW ,ostaje mi da skidam trece stop svetlo.

evo sta je kod mene bio problem. na samoj plocici sa led diodama je crkla dioda ali ne led nego zastitna (blokira u slucaju da se obrne + I - oznaka diode je N4007 a sledi I mali slikovni tutorijal za slucaj da nekom zatreba takva avantura ;)

IMG_20170224_112129[1].jpg IMG_20170224_112306[1].jpg IMG_20170224_114227[1].jpg IMG_20170224_120234[1].jpg IMG_20170224_132338[1].jpg

 

Edited by Ivan
Sredjene slike

Share this post


Link to post
Share on other sites

Ivane, gledam sada ove tvoje slike i nesto mi nije jasno. Tacnije, nista mi vise nije jasno

 

Kod mene su pocele da zezaju stopke, sve 3, nekad rade, nekad gornja treperi, trepne pa se ugasi, nekad ni jedna ne radi. Evo sada vec 2 dana ne rade nikako. Ne reaguju da dodir kocnice.

 

Danas sam skinuo automat, ali posto mi je auto na suncu nisam se dugo zadrzavao jer nisam uspeo da ga otvorim.

 

Vratim se i udjem na forum da vidim, gledam tvoje slike i vidim da ima 4 pljosnata pina, a kod mene su bila samo 2, iako na konektoru ima 4 rupice.

Sta se desilo? Gde su preostala 2? Kako to da je uopste radilo do sada? Nista mi nije jasno

Share this post


Link to post
Share on other sites

@majkicbane

Na kojim rednim brojevima u konektoru su ti postojeci pinovi? Pretpostavljam na 4 i 2, trebao si bar to da napises ili slikas.

 Na Stilu teoretski postoje 2 para signala u konektoru automata:

- prvi, koji oznacavaju kao "N.A." i koji detektuje polozaj pedale razlicit od pocetnog;

- drugi oznacavaju sa "N.C." i on detektuje polozaj pedale u pocetnom polozaju;

 

Tj. po davanju kontakta, na dzeku automata imas:

- 2 ulazna signala od 12V sa sabirnika B2 (kontrolne jedinice) - oni su na pinovima 3 i 4 (imas zaokruzeno na jednoj od slika u prvom postu);

- 2 izlazna signala: na pinu 1 je 12V kada je stisnuta pedala, on se dalje vuce u konektor D97D pa u motorni racunar. Na pinu 2 imas 12V kada se pritisne pedala i on se vraca u sabirnik B2 i racva direkt za trece stop svetlo i preko BodyCompa za bocne stopaljke;

Evo ti i sema belog konektora za automat kocnice (I30 na semama), pa proveri sta imas od pinova: 

 

 br.thumb.jpg.2eeb61bda4ee878a5badaa7c536e0b66.jpg

 

Sto se tice stopaljki koje ti prave problem, napon sa kontakta preko osiguraca F37 ces dobiti na pinu 4 u tom belom konektoru. Kada stisnes kocnicu, napon se propusta na pin 2 njegovog konektora. Dalje taj signal ide u sabirnik B2 (kontrolnu jedinicu), gde je pomenuto racvanje za trece stop svetlo (direktna veza) i bocna svetla (preko Body Compa). Sve pomenuto sam ti uokvirio crvenim:

 

brake1.jpg.b90f015aee95d7e8751f704d6ecf9097.thumb.jpg.79aa8be205ad4c1797d264d56ebf8b00.jpg

 

Sto znaci da moras da proveris sta dobijas na pinu 2 kada pritisnes kocnicu. Ako tu signal varira ili ga potpuno gubis, problem je u samom automatu. Mozes da ga otvoris, mada meni je na par Stila bilo dovoljno da ga dobro naprskam kontakt sprejom i razradim. Zez je u tome sto je pozicioniran odmah iznad pedala i u njemu se vremenom nakupi vlage i prljavstine. A i nov ti je bagatela, krece se od 600-1000 kinti najcesce.

Ali ako iz pina 2 dobijas konstantan signal na pritisnutu pedalu kocnice, onda je problem negde dalje i moraces da trazis po semi na relaciji prekidac-B2 sabirnik-Body Comp.

A evo ti i caka za dijagnostiku, da se ne zezas sa pritiskanjem pedale i merenjem - skini konektor automata i zicicom prevezi pinove 4 i 2. Daj kontakt i ako ti kostantno rade sva tri stop svetla, problem je u automatu. 

Share this post


Link to post
Share on other sites

Kod mene postoje samo ova dva, kontra od ovog jezicka za koji se kaci konektor, to bi trebalo da su 2 i 4?
Ali kopka me gde su jos 2 pina?

 

Screenshot_98.thumb.jpg.b8090474340937c46a22b9e5e3282e9d.jpg

 

I da, mozda bude od koristi informacija da kod mene automat nije bele boje, vec braonkaste.

 

SKinucu ga ponovo kada dodjem sa posla pa cu natenane pokusati da ga otvorim i vidim stanje unutra.

Share this post


Link to post
Share on other sites

Da, dobro sam pretpostavio, imas samo pinove 4 i 2 cim su ti ranije radile stopaljke.

Drugi par pinova 3-1 salje indikaciju npr. ka D97D i dalje ka motornom ECU (pin 54). Evo i dodatna slika gde se to vidi (posto nije specificirano na gornjoj semi za stopaljke):

 

br2.thumb.jpg.852832ad2641fc6b16ffbb0638c01902.jpg

 

Postoje verzije automata sa jednim parom pinova, ali gde, u kojoj varijantama i da li uopste na Stilu ne bih smeo da tvrdim 100% (pored tempomata koji je opcioni, taj signal koriste i drugi standardni sistemi tipa ABS). Npr. Stilici i u najnizim nivoima opreme (Active, Actual) na kojima sam ovo sredjivao su uvek imali 2 para pinova, e sad da li je to pravilo - licno bih se bolje osecao da ih ima :) ... Mozes da proveris u samom dzeku imas li zice za taj par pinova 3-1, dolazi li 12V sa kontakta na ulazni pin 3... Moguce je da kod tebe mozda nije ni originalni automat.

 

 

Edited by Ivan

Share this post


Link to post
Share on other sites

Danas sam sredio automat. Meni je trece stop svetlo treperilo, a ponekad se nisu palila ni bocna svetla. Izvadio sam automat, ocistio kontakte, vratio ga i fercera.

 

 

 

 

 

Share this post


Link to post
Share on other sites
On 7/7/2015 at 11:10 PM, Ivan said:

Da bi skinuli automat, potrebno ga je zakrenuti za 90 stepeni u smeru suprotnom kazaljci na satu, kao sto je oznaceno na prethodnoj slici. U tom polozaju, osigurac prolazi kroz supljinu nosaca i povlacenjem uvis, automat se oslobadja:

popravio stari, testirao ok, vratio ga, ne gasi stopove.. mislio da je do prekidaca, kupio novi.. a ja nisam montirao dobro, ide u koso kad pokusam da ga zatvorim.. lose mi je koliko sam se iznervirao, nema sanse da ga vratim.

Share this post


Link to post
Share on other sites

Join the conversation

You can post now and register later. If you have an account, sign in now to post with your account.

Guest
Reply to this topic...

×   Pasted as rich text.   Paste as plain text instead

  Only 75 emoji are allowed.

×   Your link has been automatically embedded.   Display as a link instead

×   Your previous content has been restored.   Clear editor

×   You cannot paste images directly. Upload or insert images from URL.


 

 



Info

FLCS Forum koristi tzv. kolačiće (cookies), kako bi korisnicima osigurao funkcionalnost i jednostavnost korišćenja. Daljim pregledom ovog Foruma dajete svoj pristanak za korišćenje "kolačića".

×
×
  • Create New...